このページの目次
1.HPH-30の特徴
1)小型でφ5のポイントを1350℃まで加熱できます。
HPH-30はハロゲンランプの光を集中させて高温加熱を実現したハロゲンポイントヒーターです。
110Wランプで熱電対を加熱すると焦点距離15㎜で約1350℃まで上昇します。
加熱温度は加熱対象物の種類により変わります。
加熱温度の制御は、照射時間制御、又は、電圧制御です。
ランプ寿命は1/3になりますが、110%の過電圧を加えてもかまいません。
※高頻度の点滅動作は寿命を低下させます。
電圧のスローアップとスローダウンは寿命を改善できます。
2)完璧なクリーン加熱を実現し、クリーンルームや真空中の加熱も可能です。
※真空曹の中に入れると、初期に無機接着剤からの若干のガス放出がありますので予め真空処理が必要です。
また真空中では熱放散が低下しますので、本体に水冷ユニットの設置が必要です。
3)従来は光ファイバーやレーザーでしか対応できなかった様な狭い場所の加熱も可能になりました。
光ファイバー加熱方式,レーザー加熱方式に比べ圧倒的な10倍以上の高効率,低コスト,省エネルギーであり、しかも安全性です。
4)点灯方向の制限が無く、移動させながらの使い方ができます。
※可動部の搭載には、停止時に大きな衝撃が加わりますので、必ず衝撃防止措置をしてください。
5)空冷方式と水冷方式の使い分けができます。
■ 圧縮空気冷却型はヒーターコントローラーとエアコンプレッサーが必要ですが小型です。
■ 水冷型はヒーターコントローラーとチラー(冷水器)が必要ですが、真空容器の中でも使用できます。
HPH-30は保護ガラスは有りません。
高効率な集光鏡設計と高反射率の金メッキ鏡仕様です。
集光鏡とランプ部に分かれており、集光鏡,ランプ部単体の交換ができます。
一般仕様品とクリーンルーム仕様品があります(同価格)。
通常の御使用には一般仕様品の方が安全です。
クリーンルーム仕様品はランプの固定に接着剤の使用量を極力減らし、電線にテフロン電線を使用したもので、クリーンルームや真空中での御使用を対象にしたものです。
一般仕様品よりもランプ部が高温になり、耐熱限界を超えるとテフロン電線はトラブルを起こしやすいという欠点もあります。
定格で連続点灯すると内部温度は約300℃(クリーンルーム仕様は340℃)になりますので、強制冷却が必要です。
2.HPH-30の外形写真
3.HPH-30の焦点距離と焦点径
下の写真はHPH-30/f15/12V-110W(焦点距離15mmの機種)で、照射距離を変えて照射した状態です。
照射距離が焦点距離より近くても遠くても集光径は大きくなっていきます。
この性質を利用すれば、均一な照射にはなりませんが比較的広い範囲を照射する事も可能です。
厳密に均一な配光が必要な場合は、単純な楕円ミラーではなく、配光を特別に設計管理したミラーが必要です。
しかし、光源のフィラメントが3次元形状でその結像焦点も3次元で有る為、平面状の均一配光は非常に困難です。
4.HPH-30の昇温時間
※ HPH-30とHPH-30CAは加熱性能は同一です。
水冷ユニットの替りに空冷ユニットを内蔵しています。
耐火煉瓦上に熱電対を設置して計測すると、耐火煉瓦から熱電対へ熱が伝導して高温になります。
5.HPH-30の電圧と寿命
上図の様に、定格電圧から10%下げて使用すると、設計寿命が3倍に伸びます。
定格電圧から20%下げて使用すると、設計寿命が9倍に伸びます。
6.手動制御→HCVシリーズ
ハロゲンヒーター用 手動電源コントローラー HCV シリーズの概要に移動
7.自動温度制御→HHC2シリーズ
高機能 ヒーターコントローラー HHC2 シリーズの概要に移動
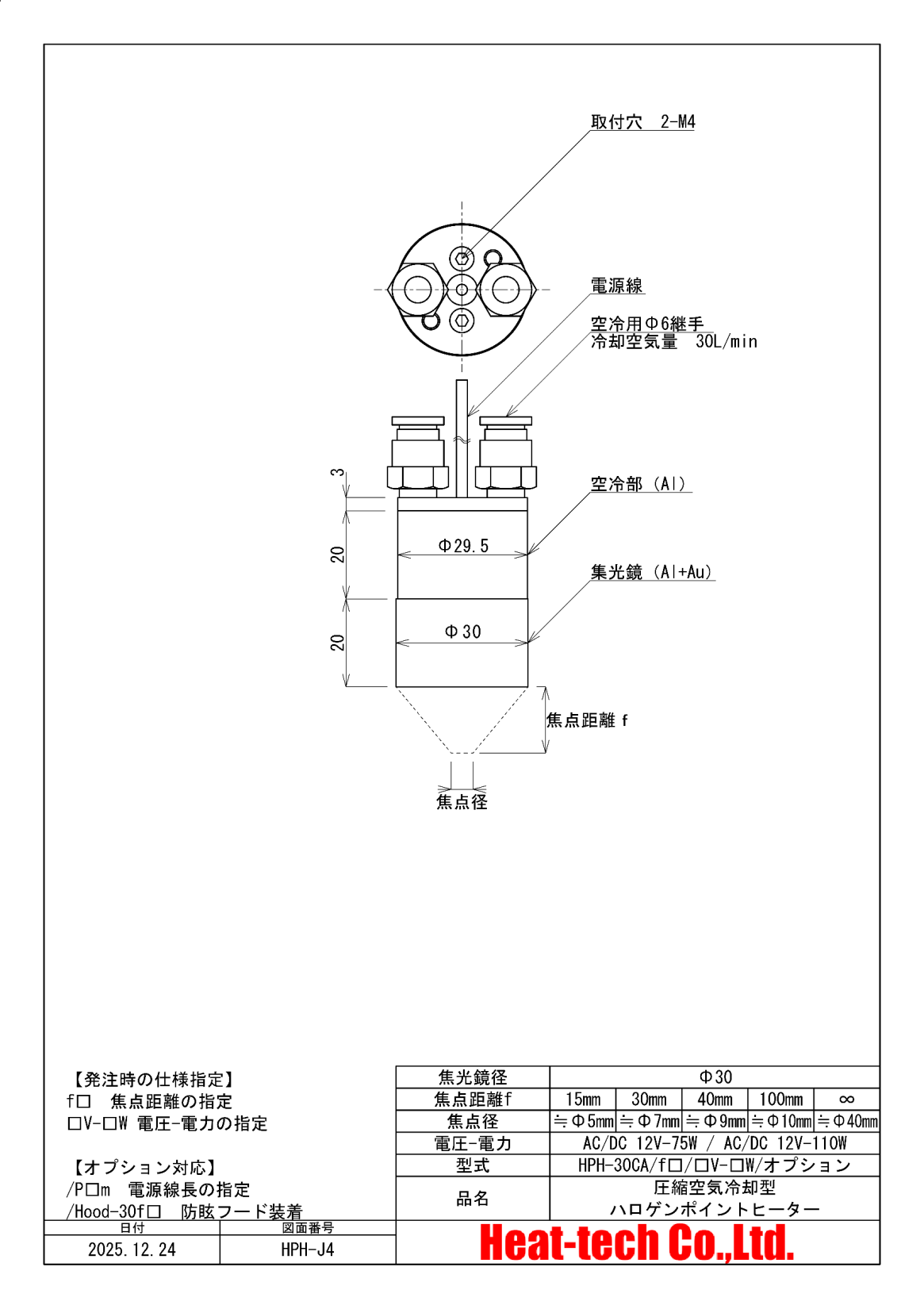
8.HPH-30の構成
HPH-30は集光鏡とランプベースを組合せ、電源線の長さを指定して使用します。
9.HPH-30の外形図
非接触高温加熱・ハイテクヒーターのヒートテック 熱風ヒーター:ハロゲンヒーター:遠赤外ヒーター



























